JNDE10060DE16型橡胶减振器
- 生产地:上海品牌:松夏
- 型号:JNDE10060DE16 质保:两年
- 包装:隔振纸箱包装或隔振木箱包装 材质:NR/EPDM/NBR/FKM/CR/PTFE等
适用范围:
广泛应用于电子仪器,仪表,设备柜内,也可以用风 机,水泵,冷水机组等。
- 报价:电议
- 更新日期:2024年04月08日
适用范围:
广泛应用于电子仪器,仪表,设备柜内,也可以用风 机,水泵,冷水机组等。

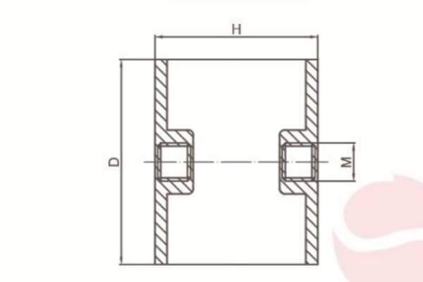
JNDE10060DE16型橡胶减振器是由一头配螺栓的钢板,一头配内丝的钢板,中间圆柱形橡胶体组成,可压缩和伸长,具有结构简单,安装方便,耐油,耐酸碱,抗老化,耐温等性能。
由上下钢板完全分离,不需另加附件即可减断声桥传递,是一种非常实用的减振器,尤其适用于电子仪器仪表。
松夏设计生产的圆柱型橡胶减振器规格齐全,我们可以接受定制,包含尺寸大小以及橡胶硬度等,如有需要可以联系我们的销售人员或者代理商。
广泛应用于电子仪器,仪表,设备柜内,也可以用风机,水泵,冷水机组等。